0
Ваша Корзина
LM60CIZ/NOPB – Описание
Датчик LM60CIZ/NOPB
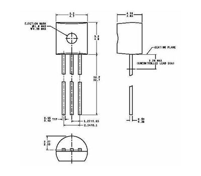
- Габаритные размеры: 5,2 х 4,19 х 5,2 мм
- Минимальное рабочее напряжение питания: 2,7 В
- Максимальное рабочее напряжение питания: 10В
- Корпус: TO-92
- Диапазон рабочих температур: -40...125 °C
- Погрешность: ±4°C
- Тип монтажа: на плату в отверстия
- Усиление датчика: 6.25мВ/°C
- Тип интерфейса: аналоговый
