0
Ваша Корзина
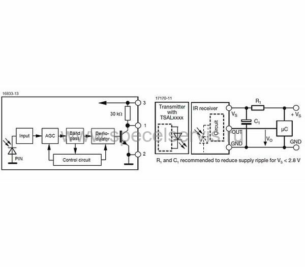
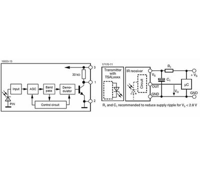
TSOP4833 – Описание
ИК-приемник TSOP4833 дистанционный
- Выходной ток: 5 мА
- Несущая частота: 33 кГц
- Дальность: 45 м
- Длина волны пиковой чувствительности: 950 нм
- Диапазон рабочих температур: -25...85 °C
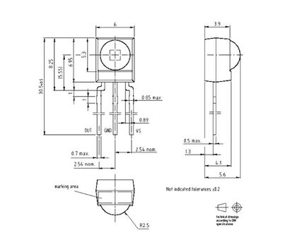
- Размеры: 6 x 5.6 x 6.95 мм
- Количество контактов: 3
- Тип монтажа: на плату в отверстия
