0
Ваша Корзина
LM-NP-1001-B1L – Описание
Миниатюрный согласующий трансформатор LM-NP-1001-B1L с импедансом 600 Ом и коэффициентом трансформации 1:1 предназначен в первую очередь для применения в сфере телекоммуникаций, а именно для гальванической развязки сигнальных цепей звукового тракта.
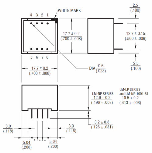
Размеры полностью герметичного корпуса трансформатора LM-NP-1001-B1L не превышают 17,7х17,7х12,6 мм, а штыревые выводы рассчитаны под монтаж в отверстия печатной платы.
- Соотношение витков обмоток: 1:1 (не более ±2 %);
- Прямые потери: не более 1,5 дБ (2 кГц);
- Обратные потери: не более 10 % (0,2…4 кГц);
- Диапазон рабочих частот: 200…3500 кГц;
- Импеданс обмоток: 600 Ом (1 кГц);
- Индуктивность обмоток: 2,8 мкГн (200 Гц);
- Активное сопротивление обмоток: 66 Ом ±10 %;
- Температурный диапазон: -10...+60 °С;
- Габариты корпуса: 17,7х17,7х12,6 мм;
- Соответствует директиве RoHS.


