RK1233N1-B200K, L-15KC – Описание
Резистор переменный RK1233N1-B200K, L-15KC
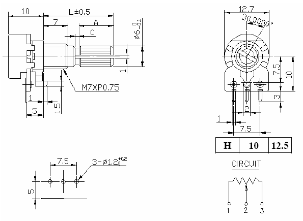
Переменные резисторы (потенциометры) серии RK1233N1 имеют угловое расположение контактов для монтажа на печатную плату в отверстия, или навесным монтажом, с возможностью ручной пайки при температуре до +300 °C. Точность номинального сопротивления составляет ±20 %. Они отличаются низкой ценой, способностью выдерживать 15 000 циклов вращения и малым шумом скольжения, менее 47 мВ.
Величина номинального сопротивления потенциометров RK1233N1 представлена рядом значений: 1, 2, 5, 10, 20, 50, 100, 200, 500 кОм. Есть возможность выбора из нескольких вариантов исполнения и длины их металлического вала. Для прочного крепления на панель предусмотрена металлическая гайка с шайбой.
- Ряд номинальных сопротивлений: 1, 2, 5, 10, 20, 50, 100, 200, 500 кОм
- Точность сопротивления: ±20 %;
- Номинальная мощность: 0,05 Вт и 0,1 Вт (только для линейности B);
- Остаточное сопротивление: не более 10 Ом (до 10 кОм), 20 Ом (свыше 10 кОм);
- Максимальное рабочее напряжение: 30 В (AC);
- Уровень шума скольжения: не более 47 мВ;
- Сопротивление изоляции: не менее 100 МОм при 500 В (DC);
- Напряжение пробоя: 300 В (AC) в теч. 1 мин;
- Износоустойчивость: 15 000 циклов;
- Угол вращения вала: 300 ±10°;
- Температура ручной пайки: +300 °C (3 мин);
- Температурный диапазон: -10…+70 °C.
Информация для заказа
|
RK1233N1 |
- |
B |
100K, |
L-15 |
F |
|
1 |
|
2 |
3 |
4 |
5 |
- RK1233N1 - серия переменных резисторов
- Отклонение функциональной характеристики на 50 % угла поворота:
A - 15-20 %
B - 40-60 %
C - 75-85 %
D - 2-15 %
W - 45-55 % - Номинальное сопротивление из ряда: 1, 2, 5, 10, 20, 50, 100, 200, 500 кОм
- Длина вала: 15, 20, 25, 30 мм
- Тип вала: KC, F, R, RE
Переменные резисторы серии RK1233N1:

Тип вала переменного резистора:

