R24N1-B5K, L-20KC – Описание
Переменные резисторы (потенциометры) серии R24N1 имеют угловое расположение контактов для навесного монтажа ручной пайкой при температуре до +300 °C. Точность номинального сопротивления составляет ±20 %. Они отличаются низкой ценой, способностью выдерживать 15 000 циклов вращения и малым шумом скольжения, менее 47 мВ.
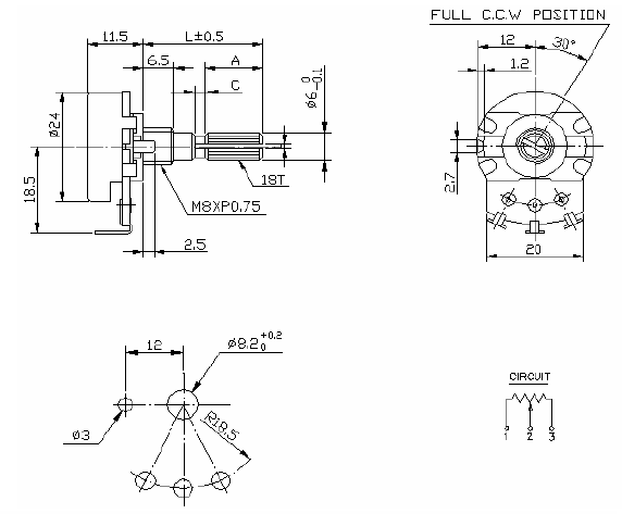
Диапазон номинальных сопротивлений потенциометров R24N1 простирается от 1 кОм и до 1 МОм. Есть возможность выбора из нескольких вариантов исполнения и длины вала. Для прочного крепления на панель предусмотрена металлическая гайка с шайбой. Переменные резисторы этого типа отлично подходят для регулировки уровня сигнала в звуковом оборудовании.
- Диапазон сопротивлений в серии: от 1 кОм до 1 МОм;
- Точность сопротивления: ±20 %;
- Номинальная мощность: 0,5 Вт (нелинейность B) и 0,25 Вт (остальные);
- Остаточное сопротивление: не более 10 Ом (до 250 кОм) и 0,1 % (от 250 кОм);
- Максимальное рабочее напряжение: 500 В (нелинейность B), 250 В (остальные);
- Уровень шума скольжения: не более 47 мВ;
- Сопротивление изоляции: не менее 100 МОм при 500 В (DC);
- Напряжение пробоя: 250 В (AC) в теч. 1 мин;
- Износоустойчивость: 15 000 циклов;
- Угол вращения вала: 300 ±10°;
- Температура ручной пайки: +300 °C (3 мин);
- Температурный диапазон: -10…+70 °C.
Информация для заказа
|
R24N1 |
- |
B |
100K, |
L-15 |
F |
|
1 |
|
2 |
3 |
4 |
5 |
- R24N1 - серия переменных резисторов
- Отклонение функциональной характеристики на 50 % угла поворота:
A - 15-20 %
B - 40-60 %
C - 75-85 %
D - 2-15 %
W - 45-55 %
- 100K - номинальное сопротивление
- 10, 15, 20, 25, 30, 35, 40 мм - длина вала
- KC, R, RE, F - тип вала
Переменные резисторы серии R24N1:

Тип вала переменного резистора:

