0
Ваша Корзина
R17N1-B100K, L-15KC – Описание
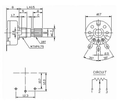
Резистор переменный R17N1-B100K, L-15KC
Переменные резисторы (потенциометры) серии R17N1 имеют угловое расположение контактов для навесного монтажа, с возможностью ручной пайки при температуре до +300 °C. Отличаются низкой ценой, способностью выдерживать 15 000 циклов вращения и малым шумом скольжения, менее 47 мВ. Диапазон номинальных сопротивлений устройств простирается от 100 Ом и до 2 МОм. Есть возможность выбора из нескольких вариантов исполнения и длины вала.
Технические характеристики:
- Диапазон сопротивлений в серии: от 100 Ом до 2 МОм;
- Точность сопротивления: ±20 % (от 1 МОм: ±30 %);
- Номинальная мощность: 0,1 Вт (нелинейность B), 0,05 Вт (остальные);
- Остаточное сопротивление: не более 10 Ом;
- Максимальное рабочее напряжение: 200 В (нелинейность B), 150 В (остальные);
- Уровень шума скольжения: не более 47 мВ;
- Сопротивление изоляции: не менее 100 МОм при 500 В (DC);
- Напряжение пробоя: 500 В (AC) в теч. 1 мин;
- Износоустойчивость: 15 000 циклов;
- Угол вращения вала: 260 ±10°;
- Температура ручной пайки: +300 °C (3 мин);
- Температурный диапазон: -10…+70 °C.
Тип вала переменного резистора:

