0
Ваша Корзина
R16K1-B200K, L-20KC – Описание
СИСТЕМА ОБОЗНАЧЕНИЙ:
16K1 B 100K L-15 F Модель Отклонение Номинал Длина ручки Тип ручки 1 2 3 4 5
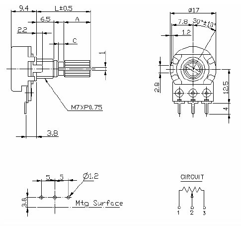
Чертеж R16K1:


Бесплатно по России
СИСТЕМА ОБОЗНАЧЕНИЙ:
16K1 B 100K L-15 F Модель Отклонение Номинал Длина ручки Тип ручки 1 2 3 4 5

