0
Ваша Корзина
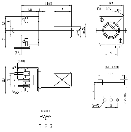
R0904N-B10K, L-30F – Описание
Резистор переменный R0904N-B10K, L-30F
- Диапазон сопротивлений в серии: от 500 Ом до 500 кОм;
- Точность сопротивления: ±20 %;
- Номинальная мощность: 0,05 Вт;
- Остаточное сопротивление: не более 10 Ом;
- Максимальное рабочее напряжение: 50 В (AC) или 20 В (DC);
- Уровень шума скольжения: не более 80 мВ;
- Сопротивление изоляции: не менее 100 МОм при 250 В (DC);
- Напряжение пробоя: 250 В (AC) в теч. 1 мин;
- Износоустойчивость: 15 000 циклов;
- Угол вращения вала: 280 ±10°;
- Температура ручной пайки: +300 °C (3 мин);
- Температурный диапазон: -10…+70 °C.
Информация для заказа
|
R0904N |
- |
B |
50K, |
L-20 |
F |
|
1 |
|
2 |
3 |
4 |
5 |
- R0904N - серия переменных резисторов
- Отклонение функциональной характеристики на 50 % угла поворота:
A - 15-20 %
B - 40-60 %
C - 75-85 % - Номинальное сопротивление
- Длина вала: 15, 20, 25 мм
- Тип вала: KC, KS, KQ, KT, F
Переменные резисторы серии R0904N:

Тип вала переменного резистора:

