0
Ваша Корзина
NS3R-90GB – Описание
Разрядник газовый NS3R-90GB
Газонаполненные грозозащитные разрядники предназначены для защиты от перенапряжений оборудования связи, промышленного электронного оборудования, а также бытовой электронной аппаратуры.
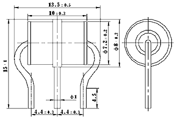
Типы G/GT/GB - общего применения. Это устройства с изогнутыми проволочными выводами.
- Сертифицировано по UL (E231952)
- Сертифицировано по TUV (R50020773)
Технически характеристики:
- Размер: Ø8x10 мм с изогнутыми выводами
- Статическое напряжение пробоя: 90 В, 230 В, 250 В, 350 В
- Номинальный импульсный ток разряда 8/20мкс: 10 кА
- Ток разряда для переменного напряжения, 50Гц, 1с, 5 циклов: 10 А
- Минимальное сопротивление изоляции: 1 МОм
- Максимальная емкость: 2 пФ

Информация для заказа
| NS3R | - | 90 | GB |
| 1 | 2 | 3 |
1. Трехполюсный газовый разрядник
2. Статическое напряжение пробоя, В
3. Тип разрядника:
F – с термозащитой
GB – с изогнутыми выводами
