ВП1-2В 0,5А – Описание
Плавкий предохранитель ВП1-2В 0,5А
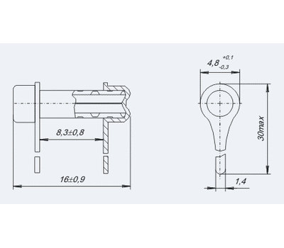
Вставки плавкие ВП1-2В с номинальным током 0,5 А надежно защитят электрические цепи постоянного и переменного тока электронной аппаратуры в случае аварийных перегрузок или коротких замыканий. Особенностью данной модели, в отличие от ВП1-1В, является наличие ленточных выводов. Преимущество такого конструктивного исполнения заключается в возможности их монтажа пайкой непосредственно на печатную плату, без необходимости использования держателя плавкой вставки, что дополнительно снижает стоимость готового изделия. Вставки плавкие ВП1-2В имеют всеклиматическое исполнение.
Керамический корпус вставки обеспечивает лучшие показатели по ударопрочности и стойкости к разрушению по сравнению со стеклянным корпусом, что особенно актуально для оборудования, эксплуатируемого в агрессивных или взрывоопасных средах.
Технические характеристики ВП1-2В 0,5А:
- Конструктивное исполнение: ленточные выводы для пайки;
- Расстояние между выводами: 8,3 мм;
- Корпус: непрозрачный, керамический;
- Номинальный ток: 0,5 А;
- Ряд возможных значений тока в серии: 0.16, 0.25, 0.5, 1, 2, 3.15, 4, 5 А;
- Номинальное напряжение: 250 В @ 50…2000 Гц;
- Время срабатывания: не более 0,1 с;
- Ток срабатывания: 5*Iн;
- Габаритные размеры: ?4х15 мм;
- Всеклиматическое исполнение;
- Рабочая температура: -60…+100 °C;
- Изготовитель: «Радиодеталь», Россия.
Информация для заказа:
ВП1-2В 0,5А
- ВП – Вставка Плавкая
- 1 – типоразмер (?4х15 мм)
- 2 – конструктивное исполнение (ленточные выводы для пайки)
- В – всеклиматическое исполнение
- 0,5А – номинальный ток
