0
Ваша Корзина
ECAP 10uF 400V 1016 105C JRB2G100M05001000160000B – Описание
Электролитический конденсатор постоянной ёмкости JRB2G100M05001000160000B
Благодаря электрохимическому принципу работы, устройства обладают следующими преимуществами:
- высокая удельная емкость, позволяющая изготавливать конденсаторы емкостью свыше 1Ф;
- высокий максимально допустимый ток пульсации;
- высокая надежность.Серия JRB имеет базовые параметры рабочего температурного диапазона от -40℃ до +105℃ и время наработки на отказ в 2000 часов.
Предлагаемые алюминиевые электролитические конденсаторы являются аналогами отечественных конденсаторов: K50-16, K50-35, K50-38, K50-40, K50-46.
Технические характеристики:
- Способ монтажа - SMD/SMT (поверхностный монтаж)
- Модель - JRB
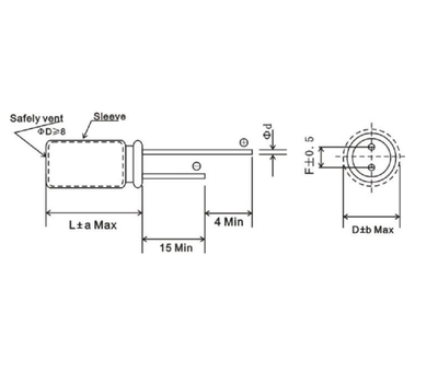
- Корпус с радиальными выводами
- Количество контактов - 2
- Расстояние между выводами - 5 мм.
- Диаметр корпуса - 13 мм.
- Длина корпуса - 20 мм.
- Рабочее напряжение - 400 В
- Номинальная ёмкость - 10 мкФ
- Допуск ёмкости: ±20%
- Тангенс угла потерь: 0,15%
- Диапазон рабочих температур: -25......+105 ℃
