0
Ваша Корзина
ECAP 100uF 16V 0607 мини – Описание
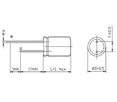
Конденсатор электролитический К50-35 мини
- Серия - PC
- Размеры (DxL) - 5x11мм
- Ёмкость - 100 мкФ
- Напряжение - 16 В
- Долговечность при полной нагрузке - 5000ч
- Диапазон рабочих температур : -25~ +85 ºC
