0
Ваша Корзина
ECAP 100uF 16V 0511 105C JRB1C101M02000500110000B – Описание
Электролитический выводной конденсатор JRB1C101M02000500110000B
Благодаря электрохимическому принципу работы, алюминиевые конденсаторы обладают следующими основными преимуществами:
- высокая удельная емкость, что позволяет изготавливать конденсаторы емкостью свыше 1Ф;
- высокий максимально допустимый ток пульсации;
- высокая прочность.
Кроме того, изделия серии JRB имеют базовые параметры рабочего температурного диапазона от -40℃ до +105℃ и время наработки на отказ в 2000 часов.
Технические параметры:
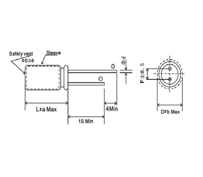
- Способ монтажа - Radial
- Диаметр корпуса - 5 мм
- Высота корпуса - 11 мм
- Номинальная ёмкость - 100 мкФ
- Допуск ёмкости - ±20%
- Номинальное напряжение - 16 В
- Шаг между выводами - 2 мм
- Вес - 0.41 г.
