0
Ваша Корзина
ECAP 1000uF 10V 0812 105C (JRB1A102M03500800120000 – Описание
Электролитические конденсаторы ECAP 1000uF 10V 0812 105C (JRB1A102M03500800120000)
Электролитические устройства из алюминия, благодаря электрохимическому принципу работы, обладают рядом преимуществ:
- большая удельная емкость, которая позволяет изготавливать конденсаторы емкостью свыше 1Ф;
- максимально высокий допустимый ток пульсации;
- высокая устойчивость.
Серия JRB имеет базовые параметры рабочего температурного диапазона от -40℃ до +105℃ и время наработки на отказ в 2000 часов.
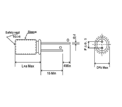
Технические характеристики:
- Диаметр - 8мм
- Длина - 11.5мм
- Высота - 12мм
- Способ монтажа - радиальный
- Рабочее напряжение - 10В
- Номинальная емкость - 1000мкФ
- Допуск номинальной емкости - 20%
- Тангенс угла потерь - 0.17%
- Вес - 1.08г.
