0
Ваша Корзина
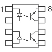
MCT6 – Описание
MCT6 представляет собой недорогую двухканальную оптопару общего применения, упакованную в пластиковый корпус DIP-8. Каждый канал оптопары содержит инфракрасный GaAs светодиод в качестве эмиттера и кремниевый NPN фототранзистор в качестве детектора излучения.

MCT6 – Характеристики
Технические характеристики:
- Прямое падение напряжение на эмиттере: 1,2 В (20 мА);
- Обратное напряжение эмиттера: 25 В (10 мкА);
- Обратный ток утечки эмиттера: 1 нА (5 В);
- Собственная емкость эмиттера: 50 пФ (0 В, 1 МГц);
- Максимальное напряжение коллектор-эмиттер детектора: 85 В;
- Темновой ток детектора: 5 нА;
- Напряжение насыщения детектора: 0,15 В;
- Собственная емкость детектора: 8 пФ;
- Время включения-выключения пары: 3 мкс;
- Среднеквадратическое напряжение изоляции вход-выход: 5000 В (1 мин);
- Сопротивление изоляции: не менее 1011 Ом;
- Емкость изоляции: 0,5 пФ (1 МГц);
- Температурный диапазон: -55…+100 °C;
- Корпус: DIP8-300.
