0
Ваша Корзина
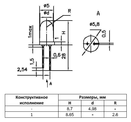
КИПД85-Х20-К4П – Описание
Светодиод КИПД85-Х20-К4П
- Цвет свечения: красный
- Длина волны: 625 нм
- Прямое напряжение: 2.2 В
- Сила света: 7000-10000 мкд
- Угол излучения: не менее 23 град

Бесплатно по России

KIPD85 (KIPD85.pdf, 473 Kb) [Скачать]