0
Ваша Корзина
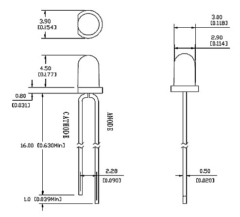
FYL-3012GD – Описание
- Обратное напряжение: 5 В
- Обратный ток: 20 мкА
- Рабочая температура: -40°С +85°С
- Температура пайки выводов: 230°С в теч. 5 сек Тип линзы (последняя буква в номере модели): D – матовая, окрашенная в цвет свечения, T – прозрачная, окрашенная в цвет свечения, C – прозрачная, неокрашенная, - E – оранжевая матовая.

| Модель | Цвет | Материал | Длина волны, нм | Сила света, мКд | Угол обзора | Прямое напряжение, В |
| FYL-3012H | Красный | GaP | 700 | 4 - 5 | 20° - 50° | 2,25 |
| FYL-3012E | Оранжевый | GaAsP | 635 | 16 - 40 | 20° - 50° | 2,10 |
| FYL-3012Y | Желтый | GaAsP | 585 | 12 - 30 | 20° - 50° | 2,10 |
| FYL-3012G | Зеленый | GaP | 570 | 12 - 30 | 20° - 50° | 2,20 |
