0
Ваша Корзина
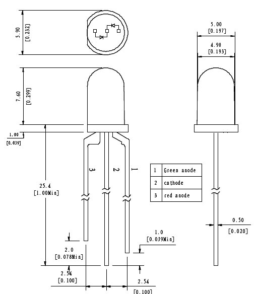
FYL-5019YGW – Описание
- Обратное напряжение: 5 В
- Обратный ток: 20 мкА
- Рабочая температура: -40°С +85°С
- Температура пайки выводов: 230°С в теч. 5 сек Тип линзы (последняя буква в номере модели): C – прозрачная, неокрашенная, W – белая матовая.

| Модель | Цвет | Материал | Длина волны, нм | Сила света, мКд | Угол обзора | Прямое напряжение, В |
| FYL-5019EG | Оранжевый | GaAsP | 635 | 32 | 120° | 2.10 |
| Зеленый | GaP | 570 | 32 | 120° | 2.20 | |
| FYL-5019YG | Желтый | GaAsP | 585 | 28 | 120° | 2.10 |
| Зеленый | GaP | 570 | 28 | 120° | 2.20 | |
| FYL-5019UEUG | Яркий оранжевый | AlGaInP | 630 | 1000 | 120° | 2.10 |
| Яркий зеленый | AlGaInP | 574 | 1000 | 120° | 2.20 |
