0
Ваша Корзина
FYQ-2841BS-21 – Описание
Характеристики
Описание
* Схема включения: Общий Катод или Общий Анод
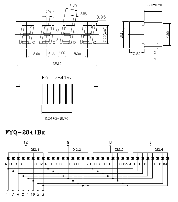
Схема и чертеж

Информация для заказа
| FY | S | 180 | 1 | 1 | A | EG | 1 | 1 | XXX | XXX |
| 1 | 2 | 3 | 4 | 5 | 6 | 7 | 8 | 9 | 10 | 11 |
| Цвет | Длина волны, нм |
Прямое напряжение, В |
Интенсивность света, мКд |
||
| типич. | макс. | ||||
| Стандартная яркость | |||||
| H | Красный | 700 | 2.0 | 2.5 | 1 |
| S | Красный яркий | 660 | 1.8 | 2.5 | 15-20 |
| D | Супер красный | 650 | 1.9 | 2.5 | 26-38 |
| E | Оранжевый | 625 | 1.9 | 2.5 | 14-20 |
| A | Янтарный | 610 | 1.9 | 2.5 | 13-18 |
| Y | Желтый | 590 | 1.9 | 2.5 | 13-18 |
| G | Зеленый | 570 | 1.9 | 2.5 | 14-18 |
| B | Синий | 430 | 3.4 | 4.4 | 10-20 |
| PG | Изумрудный | 520 | 2.8 | 3.8 | 10-15 |
| W | Белый | X=0.29, y=0.30 | 2.8 | 3.8 | 20-30 |
| Повышенная яркость | |||||
| UHR | 640 | 1.9 | 2.5 | 30-60 | |
| UR | Красный ультра | 635 | 1.9 | 2.5 | 60-100 |
| UE | Оранжевый ультра | 625 | 1.9 | 2.5 | 60-120 |
| UA | Янтарный ультра | 610 | 1.9 | 2.5 | 40-100-150 |
| UY | Желтый ультра | 590 | 1.9 | 2.5 | 50-140-190 |
| UG | Зеленый ультра | 570 | 1.9 | 2.5 | 30-60-80 |
| UPG | Изумрудный ультра | 520 | 2.8 | 3.8 | 260-310 |
| UBG | Сине-зеленый ультра | 505 | 2.8 | 3.8 | 260-310 |
| UB | Синий ультра | 460 | 2.8 | 3.8 | 80-90-120 |
| UW | Белый ультра | X=0.29, y=0.30 | 2.8 | 3.8 | 180-200 |
