Бесплатно по России
Электретные микрофоны серии HMC0603, производства компании JL World, кроме присущей им защиты от шумов, отличаются высокой чувствительностью -45 дБ, малой массой, простотой в производстве и, как следствие, предельно низкой ценой. А наличие их на складе СПЕЦЭЛСЕРВИС в Москве позволяет существенно сократить потери времени.
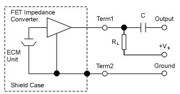
Встроенный FET-преобразователь вHMC0603 предназначен для согласования высокого значения импеданса электретного акустического датчика микрофона с низким сопротивлением нагрузки. Алюминиевый корпус микрофонов экранирует схему микрофона от прямых электростатических наводок.
Отличительные особенности:
Области применения: телекоммуникационное оборудование, портативная и переносная компьютерная техника, диктофоны.
