0
Ваша Корзина
Бесплатно по России
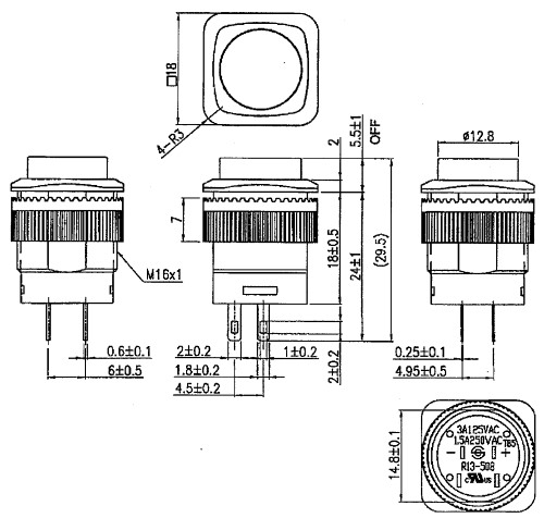
Выключатели серии R13-508AL в компактном пластиковом корпусе содержат один нормально разомкнутый контакт (SPST, OFF-ON), а также механизм фиксации штока выключателя. Контакты выключателей выдерживают напряжение до 250 В (125 В) при токе 1,5 А (3 А) и обладают запасом механической износоустойчивости не менее 100 тысяч циклов. Для индикации включенного состояния используется светодиодная подсветка колпачка выключателя.
Серия выключателей R13-508AL представлена моделями с зеленым или красным круглым колпачком диаметром 12,8 мм. Крепление выключателя в круглое отверстие диаметром 16 мм на приборной панели обеспечивается пластиковой гайкой.
Отличительные особенности:


Сохранить