0
Ваша Корзина
Бесплатно по России
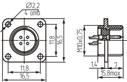
Разъемы цилиндрического типа с резьбовым соединением РС4ТВ, производства завода КОПИР, предназначаются для внутреннего монтажа в цепях постоянного, переменного и импульсного токов. Полный комплект соединителей состоит из вилки, монтируемой обычно на панель или на кабель, розетки, распаиваемой на кабель, и кожуха, навинчиваемого на розетку или вилку. Шпонка на корпусе вилки и соответствующий ей паз в розетке обеспечивают всегда правильное соединение электрических контактов разъема.
При покупке соединителей РС4ТВ сразу комплектом, можно сократить стоимость конечного изделия.
Отличительные особенности:

