Бесплатно по России
Микросхема ICL7117CPL, производства компании HARRIS, представляет собой вольтметр, предназначенный для автоматического измерения дифференциального напряжения с высокой точностью. Кроме аналогово-цифрового преобразователя, он также содержит тактовый генератор, источник опорного напряжения, схемы стабилизации питания, счетчики, защелки, декодеры, управляющую логику и драйвер 7-сегментного LED-индикатора размерностью 3 ½ цифры.
Схемотехнические решения, заложенные в вольтметре ICL7117CPL, обеспечивают низкий уровень приведенного к входу шума 15 мкВ (п-п), автоматическое определение полярности измеряемого напряжения и гарантированный нуль при входном уровне до 10 мкВ во всех диапазонах измерения. Входной ток АЦП составляет всего 1 пА, а температурный сдвиг нуля не превышает 1 мкВ/°C. Всё это в сочетании с дифференциальным входом дают вольтметру преимущество при сопряжении с датчиками мостового типа: тензодатчиками, датчиками деформации и т.п.
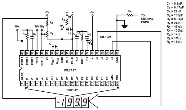
Для питания вольтметра ICL7117CPL требуется двухполярное напряжение ±5 В, при этом потребляемая мощность составляет менее 10 мВт. Для построения недорогого, но полнофункционального измерителя напряжения, требуется всего 11 внешних пассивных компонентов и LED-дисплей. Кроме того, стоит отметить простой и удобный даже для ручного монтажа корпус DIP-40.
Отличительные особенности:
Типовая схема включения ICL7117CPL для входного напряжения до ±200 мВ.
