Бесплатно по России
Проверенное временем устройство защиты УЗМ-51М предназначено для быстрого отключения оборудования при снижении и повышении сетевого напряжения в однофазных сетях, защиты от разрушающего воздействия импульсных скачков напряжения, вызванных срабатыванием близко расположенных и подключенных к этой же сети электродвигателей, магнитных пускателей или электромагнитов. Для удобства пользователей при кратковременных (менее 0,5 с) провалах сетевого напряжения, устройство не отключает нагрузку и задержки включения не происходит.
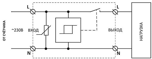
УЗМ-51М - это недорогое устройство, с богатым функционалом, представляет собой «умное» реле контроля напряжения с мощным электромагнитным реле на выходе, дополненное варисторной защитой от импульсных скачков сетевого напряжения.
Отличительные особенности:
УЗМ-51М легко монтируется на DIN-рейку шириной 35 мм. Клеммы туннельной конструкции, с передним подключением проводов питания коммутируемых электрических цепей, гарантированно обеспечивают надежный зажим проводов общим сечением до 35 мм2.
На лицевой панели УЗМ-51М расположены два индикатора – двухцветный «норма-авария» (зелёный/красный) и жёлтый включения контакта реле, кнопка «ТЕСТ» ручного управления, а также ручки регулировки верхнего и нижнего порогов отключения.



