Бесплатно по России
Газовые разрядники серии NS3R, производства тайваньской компании Nenshi, представляют собой герметичную керамическую трубку с тремя электродами, заполненную инертным газом, обеспечивающим наилучшую скорость возникновения и гашения разрядов. Являясь незаменимым элементом ограничения напряжения и защиты от электрических помех и разрядов, они позволяют поглощать мощные и длительные импульсы, с которыми не могут справиться другие ограничительные элементы - варисторы и TVS-диоды.
Разрядники серии NS3R с термозащитой (-F) конструктивно содержат биметаллическую пластину, которая при чрезмерном нагреве замыкает все три вывода вместе, защищая от дальнейшего возникновения разряда и соответствующего перегрева, а при охлаждении восстанавливает работоспособность прибора.
Благодаря малой собственной емкости 2-3 пФ газовых разрядников NS3R и сопротивлению изоляции 1-10 ГОм, существенно снижается их влияние на параметры электрических цепей в таких применениях, как телекоммуникационные интерфейсы, ВЧ-тракты и мощные источники питания.
Отличительные особенности серии NS3R-xxxGB:

Отличительные особенности серии NS3R-xxxF:
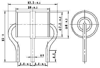
Выводное исполнение

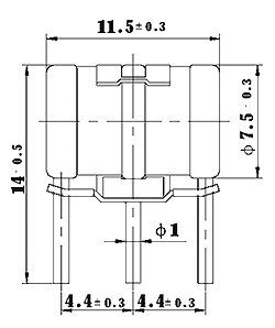
Безвыводное исполнение

Области применения: защита оборудования связи, промышленного электронного оборудования, бытовой электронной аппаратуры.
Информация для заказа:
|
NS3R |
- |
90 |
C |
- |
GB |
|
1 |
|
2 |
3 |
|
4 |