Бесплатно по России
Трехфазные сетевые фильтры DL-5EA, производства компании Jianli, выполненные в виде отдельного законченного узла в металлическом корпусе, предназначены для подавления промышленных высокочастотных помех в трехфазных цепях с нейтралью. Подключение к сети и к сбалансированным или несбалансированным трехфазным нагрузкам выполняется ножевыми клеммами. Корпус фильтров имеет специальные проушины для его надежного крепления на ровную поверхность.
Сетевые фильтры DL-5EA необходимы для подключенных к электрической сети устройств, которые чувствительны к перенапряжениям и помехам, к которым относятся: импульсы, возникающие в результате подключения и отключения большого количества потребителей, работа промышленного оборудования и городского электротранспорта, аварии на подстанциях, выбросы тока, а также грозовые разряды и удары молнии вблизи кабелей наружной электросети и линий электропередач.
Постоянное воздействие электромагнитных импульсов может привести к полному выходу из строя дорогостоящей аппаратуры. Первым уровнем защиты от таких импульсных помех как раз и являются сетевые фильтры DL-5EA.
Отличительные особенности:
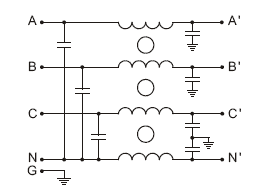
Схема включения трехфазного фильтра:

Размеры трехфазного фильтра:
