Бесплатно по России
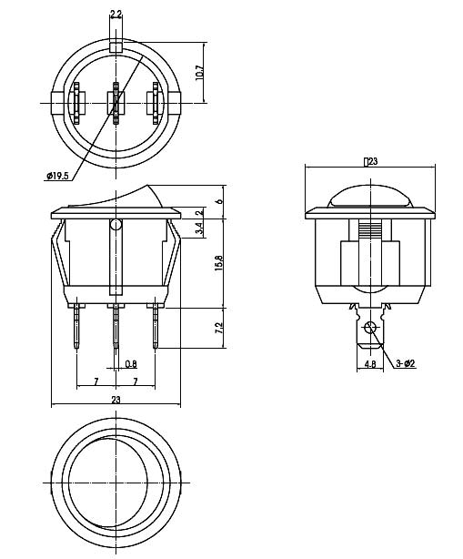
Сетевые переключатели серии KCD12001, производства компании Dongnan, представляют собой клавишные элементы коммутации переменного тока до 6 А 250 В (10 А 125 В) с одной группой переключающих контактов и двумя фиксированными положениями – ON-OFF. Подсветка клавиши переключателя осуществляется лампой 250 В, установленной внутри. Запас механической износоустойчивости переключателей составляет не менее 10 тысяч циклов.
Корпуса переключателей KCD12001 изготовлены из прочного полиамида 66 черного цвета. Клавиши без подсветки выполняются из полиамида черного цвета, а при наличии подсветки устанавливается полупрозрачная клавиша красного цвета. Крепление переключателя в круглое посадочное гнездо на приборной панели обеспечивается упругими защелками по бокам. Подключение проводников возможно как с помощью контактных клемм, так и методом пайки.
Отличительные особенности:

