Бесплатно по России
Доступный для заказа по низкой цене PIC-контроллер PIC16F77 компании Microchip, вот уже более 15 лет продолжает успешно выпускаться, несмотря на выход более совершенных моделей. Простая и недорогая, скоростная КМОП технология, а также полностью статическая архитектура и широкий рабочий диапазон напряжения питания от 2,0 до 5,5 В, остаются востребованными на рынке контроллеров бытовой и промышленной электроники.
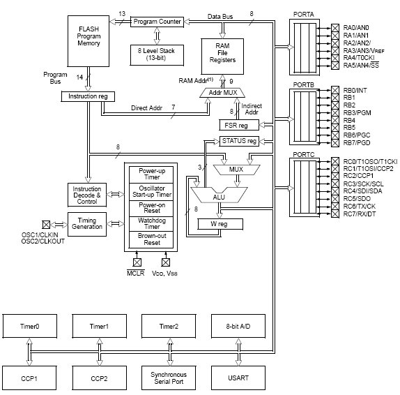
Производительное RISC-ядро контроллера PIC16F77 управляется всего 35-ю простыми в изучении инструкциями, причем все они, кроме инструкций перехода, выполняемых за два такта, исполняются за один такт, минимальная длительность которого составляет 200 нс. К этим достоинствам 8-разрядного ядра можно добавить: 14-битовые команды; 8-битовые данные; вход внешних прерываний; 8-уровневый аппаратный стек; прямой, косвенный и относительный режимы адресации для инструкций и данных. Корпус TQFP-44 микросхемы PIC16F77-I/PT рассчитан на промышленный температурный диапазон от -40 до +85 °C.
Скачать документацию: PIC16F77 (pdf, 3.95MB)
Купить по низкой цене со склада СПЕЦЭЛСЕРВИС в Москве:
PIC16F77-I/PT – 8-бит микроконтроллер PIC 20 МГц, 8 Кбайт, в корпусе TQFP-44
Периферийные модули
Особенности архитектуры
Технология
|
Наименование |
Flash ROM, слов |
RAM, байт |
I/O-выводы |
8-бит АЦП, каналов |
|
PIC16F73 |
4096 |
192 |
22 |
5 |
|
PIC16F74 |
4096 |
192 |
33 |
8 |
|
PIC16F76 |
8192 |
368 |
22 |
5 |
|
PIC16F77 |
8192 |
368 |
33 |
8 |

