Бесплатно по России
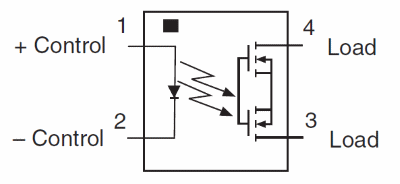
Полупроводниковое оптореле CPC1035N, производства компании IXYS, содержит в миниатюрном корпусе SOP-4 нормально нормально-разомкнутый двунаправленный фотовольтаический МОП-ключ, управляемый излучением инфракрасного светодиода. Предназначенное для коммутации переменного напряжения до 350 В и максимальным током нагрузки до 100 мА, это оптореле требует всего 0,8 мА входного тока для перевода ключа в закрытое состояние.
Сопротивление открытого канала CPC1035N составляет 30 Ом, а ток утечки закрытого канала не превышает 1 мкА. Оптическая развязка цепи нагрузки от входной цепи управления позволяет гарантировать напряжение изоляции не менее 1500 В (rms).
Отличительные особенности:
Области применения: телекоммуникационное оборудование, модемы портативных компьютеров, коммутаторы, импульсные номеронабиратели, измерительные приборы, мультиплексоры, накопители данных, электронные коммутаторы, подсистемы ввода-вывода, счетчики (электроэнергия, вода, газ), медицинское оборудование, оптоизоляция оборудования, системы безопасности, промышленные контроллеры.
