0
Ваша Корзина
Бесплатно по России
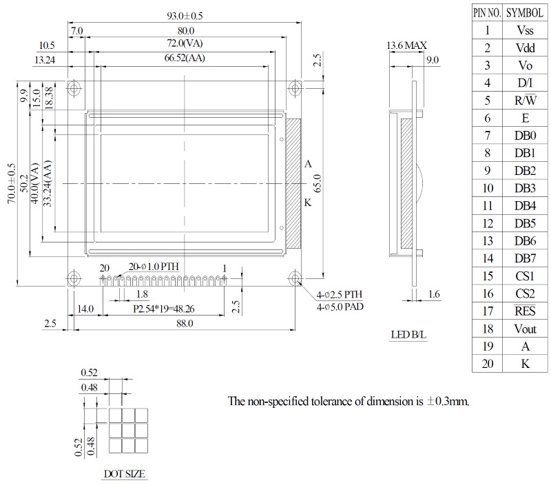
Жидкокристаллический индикатор WG12864A-TFH-V#N, производства тайваньской компании Winstar, является монохромным графическим дисплеем с разрешением 128х64 точки, контроллер управления которого выполнен в виде нескольких бескорпусных ИМС на печатной плате, за счет чего снижается стоимость индикатора, упрощается монтаж и управление.
Из преимуществ индикатора WG12864A-TFH-V#N, стоит отметить технологию FSTN, простой и надежный параллельный интерфейс управления, стандартное напряжение питания 5 В, крупные контактные площадки для пайки и удобное крепление индикатора.
Отличительные особенности:
