Бесплатно по России
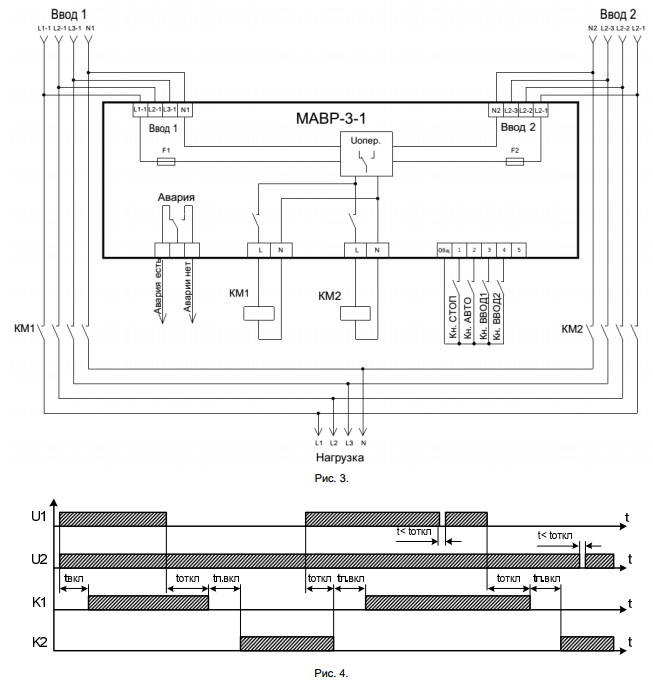
Модуль автоматического ввода резерва МАВР-3-1, производства компании МЕАНДР, представляет собой устройство управления, предназначенное для автоматического переключения на резервную линию при неисправности или отключении рабочей линии. Устройство предназначено для работы в составе шкафов (блоков) управления автоматическим включением резервного питания в системах бесперебойного электроснабжения 3-х фазных электроприемников I и II категории подключения согласно требованиям ПУЭ.
Модуль МАВР-3-1 является готовым к эксплуатации устройство состоящее из трех независимых и гальванически развязанных между собой электронных модулей: микропроцессорного блока и двух модулей контроля параметров трехфазной четырехпроводной сети с нейтралью (реле контроля напряжения), имеющих светодиодную индикацию текущего состояния сети. Питание модулей осуществляется от контролируемой сети.
Модуль МАВР-3-1 обеспечивает:


Технические характеристики модуля МАВР-3-1
|
Параметр |
Ед.изм. |
МАВР-3-1 |
|
Тип контролируемых линий ( 3-х фазная, 4-х проводная) |
|
L1, L2, L3, N |
|
Количество контролируемых вводов |
|
2 |
|
Напряжение питания ввод1, ввод2 |
В |
180-400 |
|
Частота сети |
Гц |
47-60 |
|
Максимальное напряжение коммутации / при токе |
В/А |
АС400 / 5* |
|
Максимальный ток нагрузки, АС1 / при напряжении |
А/В |
16 / АС250* |
|
Пороги отключения Ввод 1, Ввод 2 по Uмакс |
В |
243, 249, 255, 261,267, 273, 279, 285, 291, 297 |
|
Пороги отключения Ввод 1, Ввод 2 по Uмин |
В |
217, 211, 205, 199, 193, 187, 181, 175, 169, 163 |
|
Задержка на отключение |
с |
0.1, 0.5, 1, 2, 3, 5,10, 20, 30, 60 |
|
Задержка на включение |
с |
0.1, 0.5, 1, 2, 3, 5, 10, 20, 30, 60 |
|
Задержка на повторное включение |
|
0.1c, 1c, 3c, 8c, 15c, 30c, 1мин, 2мин, 3мин, 6мин |
|
Контроль обрыва фазы |
|
Есть |
|
Контроль чередования фаз |
|
Есть |
|
Контроль слипания фаз |
|
Есть |
|
Коммутационная износостойкость |
|
>106 |
|
Диапазон рабочих температур |
°С |
-20...+55 |
|
Температура хранения |
°С |
-40…+70 |
|
Помехоустойчивость от пачек импульсов в соответствии с ГОСТ Р 51317.4.4-99 (IEC/EN 61000-4-4) |
|
уровень 3 (2кВ/5кГц) |
|
Помехоустойчивость от перенапряжения в соответствии с ГОСТ Р 51317.4.5-99 (IEC/EN 61000-4-5) |
|
уровень 3 (2кВ L1-L2) |
|
Климатическое исполнение и категория размещения по ГОСТ 15150-69 (без образования конденсата) |
|
УХЛ4 |
|
Степень защиты по корпусу / по клеммам по ГОСТ 14254-96 |
|
IP54 / IP20 |
|
Степень загрязнения в соответствии с ГОСТ 9920-89 |
|
2 |
|
Относительная влажность воздуха |
% |
до 80 (при 25°С) |
|
Высота над уровнем моря |
м |
до 2000 |
|
Рабочее положение в пространстве |
|
произвольное |
|
Режим работы |
|
круглосуточный |
|
Габаритные размеры |
мм |
140 х 140 х 78 |
|
Длина кронштейнов |
мм |
85 |
|
Масса, не более |
кг |
0.900 |
|
*- Обязательно применение цепей защиты от коммутационных выбросов |
||