Бесплатно по России
Модуль МДР-2/1к, производства компании МЕАНДР, предназначен для быстрого разряда конденсаторных батарей в установках компенсации реактивной мощности. Он обеспечивает высокую скорость разряда при минимальном тепловыделении. Встроенные в модуль резисторы сопротивлением 1 кОм, подключаются только в момент отключения конденсаторов от сети и остаются подключенными до полного разряда конденсаторов. В случае включения конденсаторов к сети до окончания разряда, резисторы автоматически отключаются.
Модуль МДР-2/1к выпускается в стандартном двухмодульном корпусе, размером 35х93х63 мм из не поддерживающего горение пластика. Крепление осуществляется на DIN-рейку 35 мм или на ровную поверхность. Конструкция клемм обеспечивает надежный зажим проводов до 2,5 мм2.
Отличительные особенности: 
Схема подключения модуля МДР-2/1к

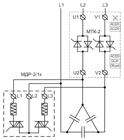
Пример схемы подключения модуля МДР-2/1к для работы с двухфазным тиристорным коммутатором МТК-2

Технические параметры разрядного модуля МДР-2/1к
|
Наименование параметра |
Допустимое значение |
|
Рабочее напряжение, В |
АС 220-400 |
|
Частота, Гц |
50/60 |
|
Сопротивление разрядного резистора, Ом |
1000 |
|
Мощность разрядного резистора, Вт |
10 |
|
Время полного разряда КБ при напряжении 400...440 В: |
10 квар < 0,4 с, 15 квар < 0,6 с, 20 квар < 0,8 с, 30 квар < 1,2 с, 50 квар < 2,0 с, 60 квар < 2,4 с |
|
Допустимое число разрядов в минуту при напряжении 400...440 В: |
10 квар. - 22/мин 15 квар. - 15/мин 20 квар. - 11/мин 30 квар. - 7/мин 50 квар. - 4/мин 60 квар. - 3/мин |
|
Потери, Вт |
< 1,0 |
|
Разрядный ток, мА |
< 400 |
|
Охлаждение |
Естественное |
|
Диапазон рабочих температур, °C |
-40...+55 (в среднем за 24 часа) |
|
Климатическое исполнение и категория размещения |
УХЛ-4 |
|
Размеры, мм |
88×35×63 |
|
Монтажное положение |
Вертикальное |
|
Масса, кг |
0,12 |