Бесплатно по России
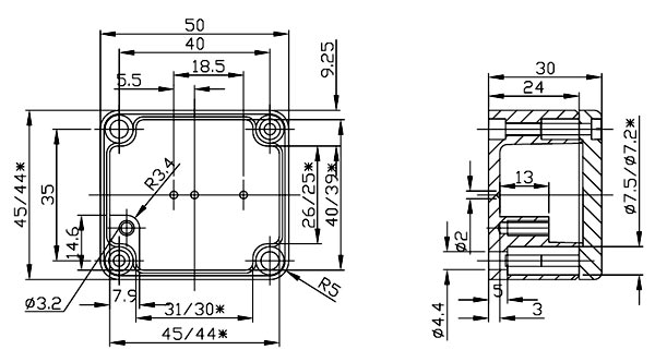
Серия литых корпусов G101, производства тайваньской компании GAINTA, представляет собой герметично закрывающиеся короба, с габаритными размерами 50x45x30 мм, из алюминиевого сплава, соответствующего промышленному стандарту Японии ADC-12 (JIS). Отверстия в корпусе для крепления крышки располагаются вне зоны уплотнения, что гарантирует защиту от проникновения внутрь пыли и влаги по классу IP65.
На внутренней поверхности корпусов G101 имеется один отлив с отверстием для подсоединения заземления. В комплект, кроме уплотнителя, входят два потайных винта М4 из нержавеющей стали для крепления крышки. Корпус G101P имеет защитное порошковое покрытие светло-серого цвета.
Отличительные особенности:

