Бесплатно по России
Резонаторы FTX4.000M20S-30/30D и FTX4.000M20U-30/30D, производства компании Fronter Electronics, представляет собой миниатюрные металлические корпуса HC-49/S и HC-49/U, соответственно, со штыревыми выводами, содержащие кварцевые кристаллы с резонансной частотой 4,000 МГц. Стандартное отклонение частоты у обоих резонаторов равняется ±30 ppm в нормальных условиях, а долговременная нестабильность не превышает 30 ppm в промышленном диапазоне рабочих температур.
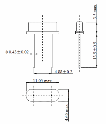
Усеченный металлический корпус HC-49/S, обладая такими же посадочными размерами 11,05 х 4,65 мм, как и стандартный корпус HC-49/U, имеет уменьшенную высоту всего 3,5 мм вместо 13,5 мм, что позволяет применять его в малогабаритных модулях и портативных устройствах.
Отличительные особенности:

