Бесплатно по России
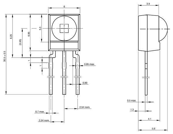
ИК-приемники серий TSOP48xx и TSOP348xx, производства компании Vishay, представляют собой миниатюрные модули приемников кодированного оптического излучения, предназначенные для инфракрасных систем дистанционного управления с максимальной дальностью до 45 метров. Чувствительный к излучению PIN-диод, защищенный инфракрасным фильтром, и предусилитель упакованы в общий трехвыводной корпус из эпоксидной смолы, размеры которого не превышают 6х7х5,6 мм.
Специальная конструкция модулей серий TSOP48xx и TSOP348xx обеспечивает повышенную невосприимчивость к высокочастотным, радиочастотным и оптическим помехам, а также высокое подавление пульсаций и шумов напряжения питания, лежащего в диапазоне 2,5…5,5 В. Выходным каскадом ИК-приемников является маломощный NPN-транзистор с резистивной нагрузкой в цепи коллектора, причем его максимальный втекающий ток не должен превышать 5 мА. Демодулированный выходной сигнал приемника может быть подан непосредственно на логический вход микроконтроллера для дальнейшей обработки.
Отличительные особенности:

