0 Ваша Корзина

Колесный энкодер LK-80 с двумя квадратурными выходами и дискретностью 1мм на импульс

24.04.2017
автор А П

Энкодер LK-80 компании МЕАНДР предназначен для измерения линейного перемещения прибора относительно поверхности или наоборот. Вычисление пройденного пути осуществляется прямым суммированием отдельным счетным устройством количества электрических импульсов при вращении измерительных колес. На каждый миллиметр пройденного расстояния формируется один прямоугольный импульс.

При использовании энкодера LK-80 совместно с двухканальным счетчиком импульсов появляется возможность реверсивного счета в случае обратного направления вращения измерительных колес. Для этого задействуются оба квадратурных выхода с фазовым сдвигом импульсов на 90 градусов относительно друг друга.

Для обеспечения постоянного сцепления колес энкодера LK-80 с поверхностью их внешняя часть покрыта термопластическим полиэфирным эластомером Hytrel , который практически не истирается в процессе эксплуатации и уменьшает риск проскальзывания колес о рабочую поверхность.

Отличительные особенности:

  • Измерение линейного перемещения.
  • Два квадратурных импульсных выхода с фазовым сдвигом 90°.
  • Дискретность измерения расстояния: 1 мм/импульс.
  • Постоянное напряжение питания: 10...30 В.
  • Подключение: 4-проводный кабель.
  • Покрытие колес: термопластичный эластомер Hytrel.
  • Два фланца для крепления рукоятки.
  • Температурный диапазон: -10...+40 °С.

Области применения: упаковочная, печатная и текстильная промышленности, деревообработка, протягивание проводов и кабелей.

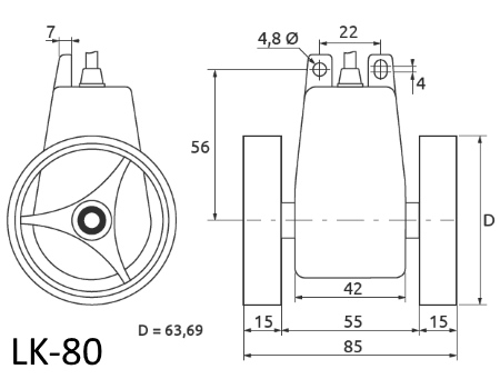
Колесный энкодер LK-80

Размеры энкодера LK-80