0
Ваша Корзина
Бесплатно по России
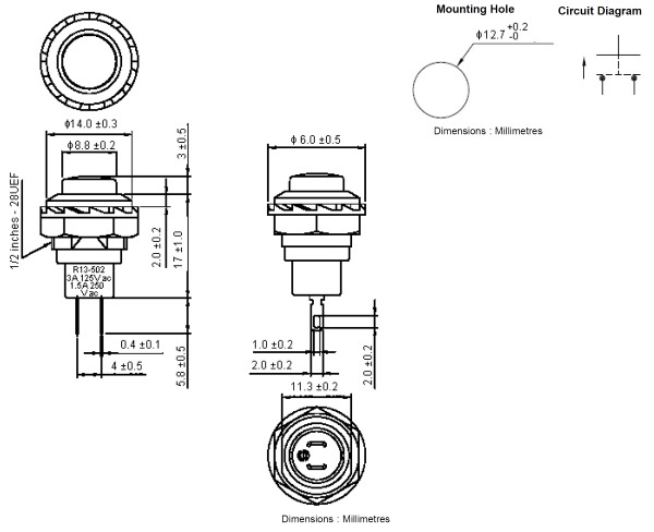
Переключатель R13-502A представляет собой компонент коммутации кнопочного типа без механизма фиксации штока. Нормально разомкнутая контактная пара с конфигурацией SPST OFF-(ON) выдерживает напряжение до 125 В (250 В) при токе 3 А (1,5 А), обладает запасом механической износоустойчивости не менее 100 тысяч циклов, а электрической – не менее 6000 циклов. Колпачок круглой формы имеет хорошо заметный ярко-желтый цвет.
Надежное крепление переключателя R13-502A в круглое отверстие диаметром 12,7 мм на приборной панели обеспечивается пластиковой гайкой. Провода подключаются с помощью пайки.
Отличительные особенности:
