0
Ваша Корзина
Бесплатно по России
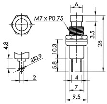
Миниатюрные выключатели серии SPA-106Bx, производства компании Dongnan, представляют собой один нормально разомкнутый контакт (SPST, OFF-(ON)), заключенных в компактный цилиндрический корпус. Особенностью данной серии является отсутствие механизма фиксации штока выключателя. Контакты выдерживают напряжение до 250 В (125 В) при токе 1 А (3 А) и обладают запасом механической износоустойчивости не менее 100 тысяч циклов.
Серия SPA-106Bx представлена выключателями с черным и красным колпачком. Для монтажа на приборную панель используется гайка с резьбой М7.
Отличительные особенности:
