Бесплатно по России
Звуковые излучатели серии CMB1209, производства гонконгской компании Canopus, представляют собой сочетание электромагнитного зуммера и электронной схемы генератора звука с частотой 2300 Гц и постоянным напряжением питания от 1,5 до 12 В, в зависимости от модели. Максимальный потребляемый ими ток не превышает 30 мА, что, тем не менее, позволяет развивать на выходе силу звука не менее 85 дБ.
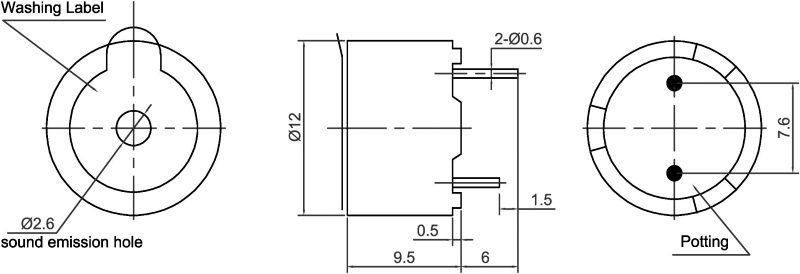
Пластиковый корпус излучателей серии CMB1209 имеет диаметр 12 мм и высоту 9 мм, их электронная схема защищена огнестойкой эпоксидной резиной Noryl от попадания внутрь пыли и влаги. Для подключения питания к генератору, при монтаже на печатную плату, имеются штыревые выводы под пайку. Основными преимуществами электромагнитных излучателей по сравнению с пьезоэлектрическими можно считать дешевизну, повышенную устойчивость к ударным нагрузкам, а также способность лучше воспроизводить низкие частоты в небольшом корпусе.
Отличительные особенности: 
|
Наименование |
UРАБ, В DC |
UНОМ, В DC |
IМАКС, мА |
FРЕЗ, Гц |
Сила звука, дБА |
TРАБ, °C |
Аналог |
|
CMB1209AC23NP |
1,3…2 |
1,5 |
30 |
2300 ±400 |
75 |
-10…+50 |
HCM1201X |
|
CMB1209EC23NP |
4…7 |
5 |
30 |
2300 ±300 |
85 |
-40…+85 |
HCM1205X |
|
CMB1209FC23NP |
4…7 |
6 |
30 |
2300 ±300 |
85 |
-40…+85 |
HCM1206X |
|
CMB1209HC23NP |
8…15 |
12 |
30 |
2300 ±300 |
85 |
-40…+85 |
HCM1212X |
Области применения: компьютерная техника, средства связи, кассовые аппараты, автомобильной и бытовая электроника.
