Бесплатно по России
Газовые разрядники серии NS2R, производства тайваньской компании Nenshi, представляют собой герметичную керамическую трубку с двумя электродами, заполненную инертным газом, обеспечивающим наилучшую скорость возникновения и гашения разрядов. Являясь незаменимым элементом ограничения напряжения и защиты от электрических помех и разрядов, они позволяют поглощать мощные и длительные импульсы, с которыми не могут справиться другие ограничительные элементы - варисторы и TVS-диоды.
Благодаря малой собственной емкости 1,5 пФ газовых разрядников NS2R и сопротивлению изоляции более 10 МОм, существенно снижается их влияние на параметры электрических цепей в таких применениях, как телекоммуникационные интерфейсы, ВЧ-тракты и мощные источники питания.
Отличительные особенности:
Области применения: защита оборудования связи, промышленного электронного оборудования, бытовой электронной аппаратуры.
Информация для заказа
|
NS2R |
- |
230 |
A1 |
- |
N |
|
1 |
|
2 |
3 |
|
4 |
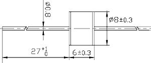
Габаритные размеры выводного разрядника

Габаритные размеры безвыводного разрядника
