Бесплатно по России
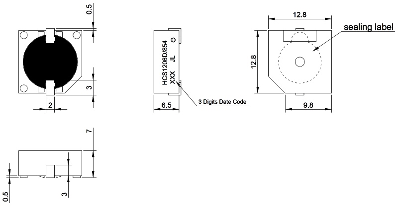
Герметичный звуковой излучатель HCS1206D/854, производства тайваньской компании JL World, является электромагнитным преобразователем переменного напряжения в звуковые колебания ферромагнитной пластины с собственной резонансной частотой 2400 Гц. Катушка излучателя имеет сопротивление 45 Ом и выдерживает максимальный ток до 60 мА. В зависимости от внешнего генератора, сила звука излучателя может достигать уровня более 85 дБ на расстоянии 10 см.
Пластиковый корпус излучателя HCS1206D/854, предназначенный для поверхностного монтажа, имеет размеры 12,8х12,8 мм и высоту всего 7 мм и надежно от попадания внутрь пыли и влаги. Рекомендуется как замена электромагнитного излучателя звука HCS1206B.
К основным преимуществам электромагнитных излучателей по сравнению с пьезоэлектрическими можно отнести их предельную дешевизну, повышенную устойчивость к ударным нагрузкам, а также способность лучше воспроизводить низкие частоты в небольшом корпусе.
Отличительные особенности:
Амплитудно-частотная характеристика излучателя звука HCS1206D/854

Области применения: телекоммуникационное оборудование, компьютеры и периферия, портативное оборудование, автомобильная электроника, POS-терминалы.
