Бесплатно по России
Компактный модульный источник питания TEN 30-2423, производства компании TRACO Power, представляет собой импульсный преобразователь постоянного однополярного входного напряжения в диапазоне от 18 до 36 вольт (2:1) в двуполярное выходное стабилизированное напряжение ±15 В, с суммарной выходной мощностью 30 Вт и коэффициентом полезного действия до 90 %.
Преобразователь напряжения TEN 30-2423 имеет гальваническую развязку выходов от входа до 1500 В, защиту от перегрева, перегрузки по току и короткого замыкания с автоматическим восстановление параметров. Дополнительный логический вход позволяет удаленно управлять включением и выключением преобразователя.
DC/DC-преобразователь TEN 30-2423 помещается в хорошо проводящем тепло медном корпусе с никелевым покрытием, залитым эпоксидной смолой (UL 94V-0) для герметичности. При необходимости отвода большого количества тепла от корпуса допускается установка дополнительного внешнего радиатора TEN-HS1.
Отличительные особенности:
Области применения: портативные приборы и оборудование, системы распределенного питания в телекоммуникационном оборудовании и промышленной электронике и везде, где занимаемая на печатной плате площадь имеет решающее значение.


|
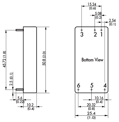
Вывод |
Назначение |
|
1 |
+Vin (Vcc) |
|
2 |
-Vin (GND) |
|
3 |
Remote On/Off |
|
4 |
+ Vout |
|
5 |
Common |
|
6 |
-Vout |