Бесплатно по России
Однофазный диодный мост KBU6J, производства индийской корпорации MIC, представляет собой двухполупериодную схему полупроводникового диодного выпрямителя. Максимальное обратное напряжение 600 В и выпрямленный ток 2,5 А в нормальных условиях делают этот мост идеально подходящим для применения во входных цепях мощных импульсных источниках питания. Кроме того, при установке диодного моста на дополнительный радиатор не менее 63x35x1,5 мм выпрямленный ток может достигать 6 А.
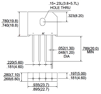
Диодный мост KBU6J производится в пластиковом корпусе KBU с крепежным отверстием и проволочными выводами для установки в отверстия печатной платы. Назначение выводов обозначается маркировкой на корпусе, кроме того, положительный вывод имеет увеличенную длину. Рабочий температурный диапазон, так же как и температура хранения, простирается от -55 до +150 °C.
Отличительные особенности: 
