Бесплатно по России
Реле времени РВЦ-П2-10, производства компании МЕАНДР, предназначено для коммутации электрических цепей в циклическом режиме с предварительно установленными выдержками времени (паузы и импульса). Реле имеет по восемь диапазонов выдержки времени импульса и паузы. В зависимости от комбинации установленных переключателей выполняется одна из четырех диаграмм работы.
Реле РВЦ-П2-10 выпускается в унифицированном пластмассовом корпусе с задним присоединением проводов питания и коммутируемых электрических цепей. Реле монтируется на щит. Крепление осуществляется с помощью съемных зажимов. Конструкция клемм обеспечивает надежный зажим проводов сечением до 2,5 мм2.
На лицевой панели реле РВЦ-П2-10 расположены: кнопочные переключатели установки выдержки времени импульса и паузы, индикаторы включения напряжения питания и срабатывания встроенного исполнительного реле. На задней стенке расположен блок из восьми DIP-переключателей для выбора диаграммы работы и установки диапазона времени.
Отличительные особенности:
Технические характеристики реле РВЦ-П2-10
|
Параметр |
Ед.изм. |
РВЦ-П2-10 |
|
Напряжение питания |
В |
АСDC24-240 |
|
Диапазон выдержки времени паузы и импульса |
|
0,1-9,9с, 1-99с, 10-990с, 0,1-9,9мин, 1-99мин, 10-990мин, 0,1-9,9ч, 1-99ч |
|
Погрешность отсчёта выдержки времени, не более |
% |
5 |
|
Время готовности, не более |
с |
0,15 |
|
Время повторной готовности, не более |
с |
0,1 |
|
Время воздействия управляющего сигнала, не менее |
|
0,05 |
|
Диаграммы работы |
|
7,8.9 и 10 |
|
Количество и тип контактов |
|
2 переключающие группы |
|
Максимальный коммутируемый ток: АС250В 50Гц (АС1)/DC30В (DC1) |
А |
5 |
|
Максимальная коммутируемая мощность: АС250В 50Гц (АС1)/DC30В (DC1) |
ВА/Вт |
1250/150 |
|
Максимальное напряжение между цепями питания и контактами реле |
В |
АС2000 (50Гц - 1мин) |
|
Потребляемая мощность, не более |
ВА |
2 |
|
Механическая износостойкость, не менее |
циклов |
10х106 |
|
Электрическая износостойкость, не менее |
циклов |
100000 |
|
Диапазон рабочих температур |
°С |
-25...+55 |
|
Температура хранения |
°С |
-40...+70 |
|
Помехоустойчивость от пачек импульсов в соответствии с ГОСТ Р 51317.4.4-99 (IEC/EN 61000-4-4) |
|
уровень 3 (2кВ/5кГц) |
|
Помехоустойчивость от перенапряжения в соответствии с ГОСТ Р 51317.4.5-99 (IEC/EN 61000-4-5) |
|
уровень 3 (2кВ А1-А2) |
|
Климатическое исполнение и категория размещения по ГОСТ 15150-69 (без образования конденсата) |
|
УХЛ4 |
|
Степень защиты по корпусу/по клеммам по ГОСТ 14254-96 |
|
IP40/IP20 |
|
Степень загрязнения в соответствии с ГОСТ 9920-89 |
|
2 |
|
Относительная влажность воздуха |
% |
до 80 (при 25°C) |
|
Высота над уровнем моря |
м |
до 2000 |
|
Рабочее положение в пространстве |
|
произвольное |
|
Режим работы |
|
круглосуточный |
|
Габаритные размеры |
мм |
48х48х90 |
|
Масса, не более |
кг |
0,15 |
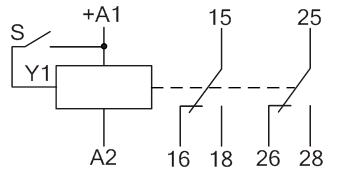
Схема подключения реле РВЦ-П2-10

Габаритные размеры реле РВЦ-П2-10
