0
Ваша Корзина
Бесплатно по России
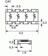
Резисторные сборки серии CAY16-xxxJ4, предназначенные для планарного монтажа, конструктивно выполнены в виде керамической подложки стандартных размеров 0603 с нанесенными на одну сторону тонкопленочными резисторами, соединяющими металлизированные выводы. Каждая сборка содержит по 4 раздельных резистора с номинальной точностью сопротивления 5 %. Защитное покрытие поверх резисторов обеспечивает точность и стабильность их параметров.
Серия сборок CAY16 отличается выпуклыми выводами, в отличие от серии CAT16, у которых выводы вогнутые. Компактные размеры сборок существенно экономят место на печатной плате.
Отличительные особенности:
