Бесплатно по России
Силовой модуль SKKD170F12, производства компании Semikron, представляет собой полумостовую сборку из двух быстро восстанавливающихся диодов рассчитанных на средний прямой ток не менее 170 А через каждый диод при повторяющемся обратном напряжении до 1200 В. Падение напряжения на p-n переходах при этом не превышает 2 В. Модуль способен выдерживать прямой ударный ток до 2500 А в нормальных условиях.
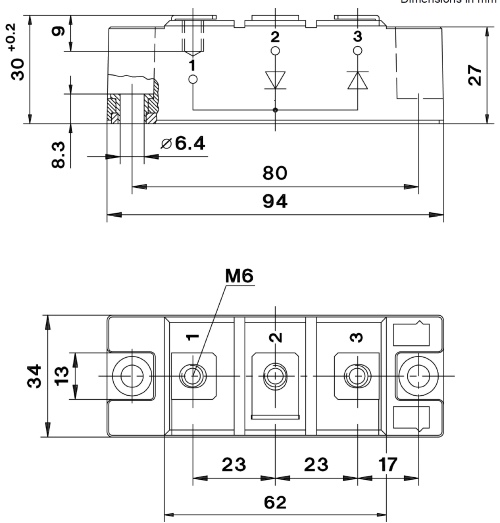
Диодная сборка SKKD170F12 производится в корпусе SEMIPACK 2, который эффективно отводит выделяющееся тепло от размещенных на его металлическом основании кристаллов диодов, электрически изолированном керамикой. Переменное напряжение изоляции может достигать 4000 вольт с частотой 50 Гц в течение 1 минуты.
Отличительные особенности:

Области применения: силовые блоки питания и управления, регуляторы мощности, регуляторы переменного тока, преобразователи, устройства запуска и управления электродвигателями, температурные контроллеры печей или химических процессов, сварочное оборудование, выпрямители для преобразователей переменного тока.
