0
Ваша Корзина
L298N – Описание
Технические характеристики
- Тип: H Bridge
- Тип входа: Non-Inverting
- Число выходов: 4
- Пиковое значение силы тока: 3 А
- Напряжение питания: 4.8 В ~ 46 В
- Рабочая температура: -25°C ~ 130°C
- Тип монтажа: Through Hole
- Тип корпуса: Multiwatt-15 (Vertical, Bent and Staggered Leads)
- Не содержит свинца
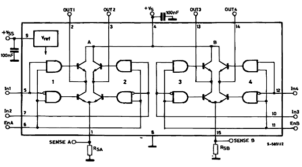
Функциональная блок-схема

Назначение выводов

