0
Ваша Корзина
MC145406DW – Описание
Технические характеристики
- Макс. рассеиваемая мощность: 1 Вт
- Рабочая температура: -40°C ~ 85°C
- Тип корпуса: SOG-16
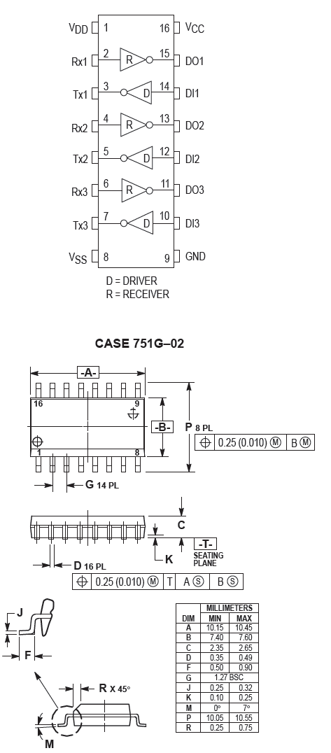
Функциональная блок-схема

Назначение выводов

Бесплатно по России
Функциональная блок-схема

Назначение выводов
