0
Ваша Корзина
NS16C552V – Описание
Технические характеристики
- Корпус: 44-PLCC
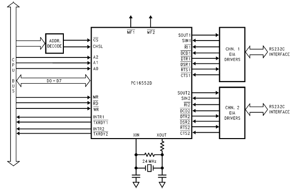
Функциональная блок-схема

Назначение выводов

Бесплатно по России
Функциональная блок-схема

Назначение выводов

NS16C552V (NS16C552V.pdf, 906 Kb) [Скачать]