0
Ваша Корзина
К249КП5Р (зол) – Описание
МОП реле герметичное К249КП5Р
Применяется как замена электромагнитных реле - телекоммуникационная техника - аналоговые мультиплексеры.
- Входное напряжение, В: 1,0 - 1,4 - 1,6
- Ток утечки на вых. в закрытом сост., мкА: 0,1 - 1,0
- Сопротивление изоляции, Ом: 10*9
- Вых. емкость в выкл. состоянии, пФ: 30
- Время включения, мc: 2,5 - 5,0
- Время выключения, мc: 0,05 - 2,0
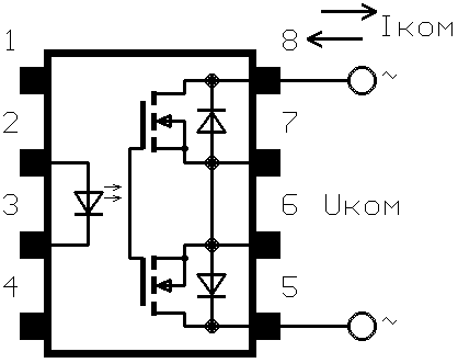
Внешний вид и габаритные размеры, схема включения:


